中节能太阳能科技(镇江)有限公司 > 业务联络 > 安健环公示 {首页标题}
当前位置:首页 > 业务联络 > 安健环公示

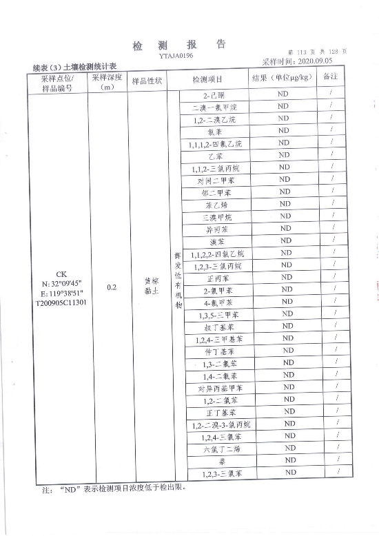
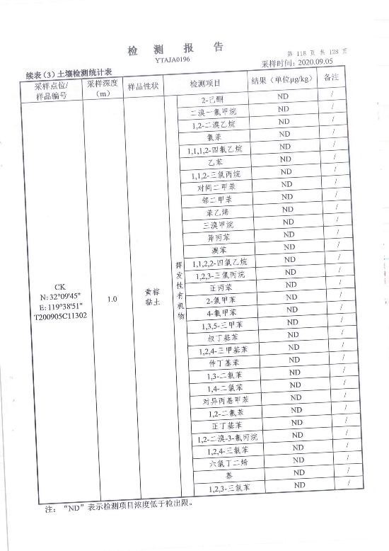
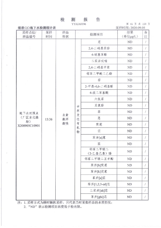
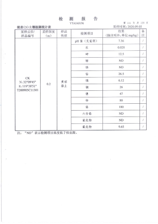
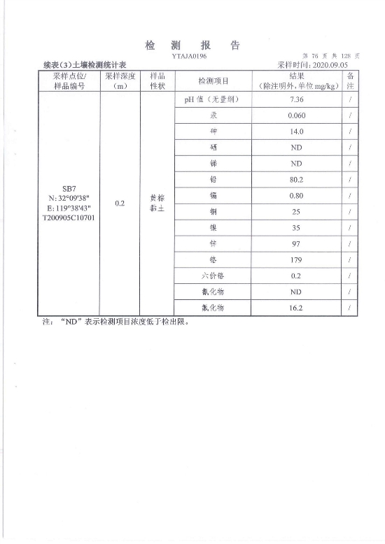
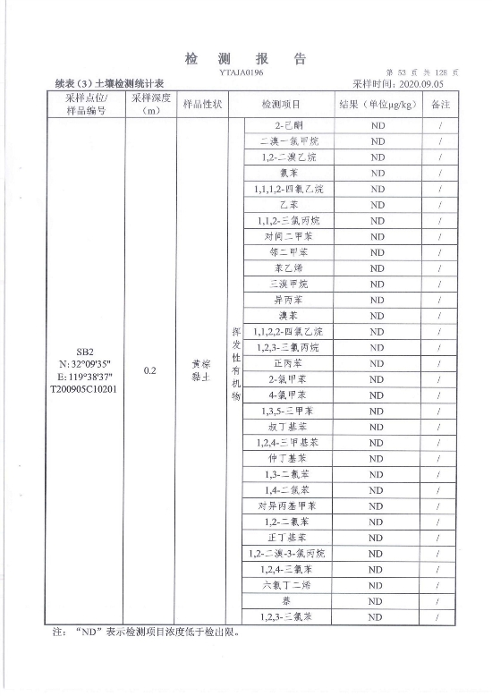
土壤与地下水检测报告--2020年

来源:中节能太阳能科技(镇江)有限公司  时间:2020-10-12 【字号:

?

作者:
摄影:
国产最大a片网站-国产最新精品自在自线亚洲-国产作爱视频免费久久精品-国产做国产爱免费视频 国产最大a片网站-国产最新精品自在自线亚洲-国产作爱视频免费久久精品-国产做国产爱免费视频